8051 Microcontroller Architecture Pdf Free Download - Get Free 8051 Microcontroller Textbook and unlimited access to our library by created an account. Das The x86 Microprocessors.

8085 80851 Architecture Instruction Set Study Materials
A short summary of this paper.

8051 microcontroller architecture pdf free download. Power Saving Modes Features of 8051 Microcontroller 8051. This book was first published in 1984 and it has been in the field for nearly three decadesThe. 8086 to Pentium Multicores Atom and the 8051 Microcontroller.
8051 Microcontrollers are an important part of the Microprocessors and Microcontrollers. This is mostly used microcontroller in the robotics home appliances like mp3 player washing machines electronic iron and industries. 8051 is an 8-bit family of microcontroller developed by Intel microcontroller was also referred as system on a chip because it has 128 bytes of RAM 4Kbytes of ROM 2 Timers 1 Serial port and four ports on a single chip.
Architecture Programming and Interfacing Second Edition Pearson Education India 2014 ISBN 978-93-325-3682-1. Posted in Free Download Ebooks Pdf Online Tutorials Embedded Systems. The first controllers to gain really widespread use were the Intel 8048 which was integrated into PC keyboards and its successor the Intel 8051 as well as the 68HCxx series of microcontrollers from Motorola.
It is 8-bit microcontroller means MC 8051 can Read Write and Process 8 bit data. 8051 Microcontroller The 4th Edition Scott MacKenzie Chung-Wei Phan Pdf Download Download Microcontroller Projects in C for the 8051 Pdf Dogan Ibrahim Free Download Art of Designing Embedded Systems by Jack G. Ayala The 8051 Microcontroller.
1 8-bit microcontroller 2 Operating speed 12MHz 3 Four 8. Download and Read online 8051 Microcontroller ebooks in PDF epub Tuebl Mobi Kindle Book. 11212015 Rahul 13ec029 4.
The first part focuses on 8085 microprocessor. OR A microcontroller is meant to be more self- - contained and independent and functions as a tiny dedicated computer. Power On Reset 10.
8051 microcontroller ebook free download pdf. Download Architecture and Programming of 8051 Microcontrollers Download free online book chm pdf. On chip Memory 4.
8051 Microcontroller The 4th Edition Scott MacKenzie Chung-Wei Phan. And Interfacing By Subrata Ghoshal. Full PDF Package Download Full PDF Package.
Get Free Microprocessors And Microcontrollers Architecture Programming System Design 8085 8086 8051 8096. December 13 2020 by Prasanna. MICROPROCESSOR ARCHITECTURE PROGRAMMING AND APPLICATIONS WITH THE 8085 By Ramesh Gaonkar provides a comprehensive treatment of the microprocessorcovering both hardware and software based on the 8085 Microprocessor family.
The 8051 Microcontroller and Embedded Systems Using Assembly and C Second Edition Muhammad Ali Mazidi Janice Gillispie Mazidi Rolin D. Pressman pdf middot. The CPU can work for only 8bits of data at a time because 8051 is an 8-bit processor.
Download 8051 Microcontroller Architecture Programming Free Sample PDF and Get Upto 72 OFF on MRPRental. By Siddhasen R Patil Microcontroller 8051 Agenda 1. FEATURES OF 8051 useful for small computing tasks.
Adequate for many control and monitoring application. The 8051 architecture developed by Intel has proved to be the most popular and enduring type of microcontroller available from many manufacturers and widely used for industrial applications and embedded systems as well as being a versatile and economical option for design prototyping educational use and other project. 8051 microcontroller - Free download as Powerpoint Presentation ppt PDF File pdf Text File txt or view presentation slides online.
And data Microprocessors and MicroControllers textbook by krishna kant free. Visit or Read Also These Books. Admin February 19 2020.
8051 Microcontrollers An Applications-Based Introduction David Calcutt Fred Cowan Hassan Parchizadeh AMSTERDAM BOSTON HEIDELBERG LONDON NEW YORK OXFORD PARIS SAN DIEGO SAN FRANCISCO SINGAPORE SYDNEY TOKYO Newnes is an imprint of Elsevier. Mostly used blocks in the architecture of 8051 are as. 8051 microcontroller by v udayashankara pdf free download - How to write book synopsis Sep 1 Home Unlabelled Microcontroller by V.
Explains how microcntroller differs from microprocessor features of RISC and CISC etc. On-chip and can be seen as one of the first microcontrollers even though it was called a microcom-puter. It provides comprehensive coverage of the hardware and software aspects of 8085 microprocessor and 8051 microcontroller.
McKinlay CONTENTS Introduction to Computing The 8051 Microcontrollers 8051 Assembly Language Programming Branch Instructions IO Port Programming 8051 Addressing Modes. The book is divided into two parts. A free PowerPoint PPT presentation displayed as a Flash slide show on.
Full PDF Package Download Full PDF Package. The book is written for an undergraduate course on the 8085 microprocessor and 8051 microcontroller. About 8051 Microcontroller Book.
8051 Microcontroller Notes and Study Material PDF Free Download. Special Function Register 5. Gain valuable assembly code programming knowledge with the help of this newly revised book.
Packaging RAMROMTimers on-chip. Udayashankara Microcontroller and Embedded Systems Mazidi EBook Free Download. Readers will be trained on programming the Intel 8051 microcontroller one of the most common microprocessors used in controls or instrumentation applications that use assembly code.
The 8051 Microcontroller Kenneth J Ayala 3rd Edition Download. Gives a brief introduction of 8051 microcontroller. 0 Full PDFs related to this paper.
Explains about io ports interruptstimerscounters serial communication etc. Buy 8051 Microcontroller Architecture Programming and Application PDF Online. Fast Download speed and ads Free.
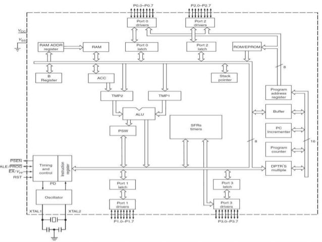
ARCHITECTURE OF 8051 MICROCONTROLLER. Download Free eBookPDF The 8051 Microcontroller - Free epub mobi pdf ebooks download ebook torrents download. The 8051 Microcontroller Architecture A microcontroller C is a single integrated circuit that executes a user program for controlling some device.
Microcontrollers also known as embedded controllers or embedded systems are essential in the field of electronics. Download Free PDF K.
4 Arsitektur Microcontroller 8051 Pdf

Pdf Download The 8051 Microcontroller And Embedded Systems Mazidi Mazidi 1st Edition

Microprocessors And Microcontrollers Architecture Programming And System Design 8085 8086 8051 8096 Ebook Kant Krishna Amazon In Kindle Store
![]()
Free The 8051 Microcontroller By Kenneth J Ayala Pdf Programs
The 8051 Microcontroller Kenneth J Ayala Architecture Programming Applications Pdf

Download 8051 Microcontroller Architecture Programming Pdf Online 2020

The 8051 Microcontroller Kenneth J Ayala 3rd Edition Download 8051microcontrollers Com

Pdf The 8051 Microcontroller And Embedded Systems Using Assembly And C By Janice Gillispie Mazidi Muhammad Ali Mazidi And Rolin D Mckinlay Book Free Download Easyengineering
1 Architecture Of 8051 Microcontroller Pdf Pdf Microcontroller Random Access Memory

8051 Assembly Language Programming Examples

8051 Microcontroller Pdf

Download 8051 Microcontroller Pdf

8051 Microcontroller Notes And Study Material Pdf Free Download Btech Geeks

The 8051 Microcontroller And Embedded Systems Using Assembly And C By Muhammad Ali Mazidi